Пациенты в России получат искусственные кости из полиэтилена
Российские ученые успешно протестировали новый способ формирования сверхвысокомолекулярного полиэтилена с пористой структурой. Этот метод позволяет создавать в полиэтилене поры нужного размера и повторять строение костной ткани.

Сверхвысокомолекулярный полиэтилен используется в искусственных суставах наряду с металлами и керамикой. Это плотный полимер, безопасный для живых тканей — он не вызывает каких-либо реакций организма. Материал можно использовать и для искусственных костей. Такой имплантат должен быть пористым, чтобы в него прорастали кровеносные сосуды и мигрировали костные клетки. Правда, до сих пор ученые не могли эффективно создавать сложные внутренние структуры в сверхвысокомолекулярном полиэтилене.
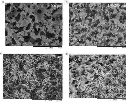
Для решения проблемы ученые из университета «МИСиС» предложили смешивать полимер с поваренной солью. Из готового изделия соль удаляют, растворяя ее в воде. В новом эксперименте исследователи вместе с коллегами из Сколковского института науки и технологий и Института физиологически активных веществ РАН впервые изучили структурные особенности пористого материала, полученного таким способом, доказав, что технология позволяет управлять размером пор.
Материал протестировали на прочность при сжатии и эластичность. Также его изучили с помощью электронного микроскопа и подтвердили, что диаметр пор и толщина стенок между ними зависят от размера исходных частиц. Механические свойства материалов оказались практически одинаковыми независимо от размера пор. В комбинации с другими материалами из полиэтилена вполне возможно создать искусственную кость, которую постепенно заполнят клетки костной ткани.
«Пористый сверхвысокомолекулярный полиэтилен может быть идеальной основой для сложных экспериментов с клеточными культурами, — объясняет заведующий лабораторией новых синтетических методов Института физиологически активных веществ РАН Сергей Лермонтов. — Клетки, выращенные на плоской поверхности, ограничены в росте и взаимодействиях, а на 3D-основе можно создать близкие к существующим в живом организме условия. Мы уже провели эксперименты по выращиванию на сверхвысокомолекулярном полиэтилене клеток злокачественной опухоли нервной системы человека — нейробластомы».

Структура сверхвысокомолекулярного полиэтилена, полученного из частиц разного размера. Источник: журнал Materials